Electronique
Nous concevons et réalisons vos cartes électroniques sur mesure
Le bureau d'études électronique de leanside peut vous accompagner dans tout ou partie du processus de développement industriel de cartes électroniques :
- Aide à la rédaction de Cahier des Charges
- Conception électronique
- Prototypage
- Tests
- Mise en fabrication pré-séries / séries

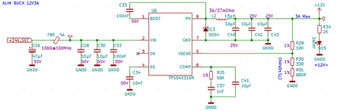
Du Cahier des charges au schéma
Nous transcrivons le Cahier des Charges en architecture de la fourniture.
Chacun des blocs fonctionnels de l'architecture est conçu et traduit en schématiques :
- Analogique (conditionnement signal, commande en puissance)
- Numérique (I/O, commande en puissance, PWM, micro-contrôleurs, DSP, CPLD, ...)
Des études de robustesse de conception sont possibles en fonction des attentes de fiabilité au Cahier des Charges :
- Calculs / simulations en thermique
- Derating au vieillissement

Du schéma au circuit imprimé
Nous routons les circuits imprimés en prenant en compte les exigences de fabricabilité et les contraintes d'intégration / approvisionnement des composants.

Prototypage

Validation
Nous réalisons les tests fonctionnels sur prototypes :
- Validation des performances électriques
- Validation des performances thermiques

Logiciel embarqué (firmware)
Nous développons le logiciel embarqué des cartes intégrant des micro-contrôleurs.
Nous adaptons les outils et méthodologies de développement selon que les objectifs sont de faire rapidement une preuve de concept ou de réaliser du code robuste, selon que le code restera figé ou sera évolutif, etc...
Mise en fabrication
Nous pouvons lancer des pré-séries ou séries selon vos besoins.