Mécanique
Nous concevons et réalisons vos composants et assemblages sur mesure
Le bureau d'études mécanique de leanside peut vous accompagner dans tout ou partie du processus de développement industriel de pièces et assemblages mécaniques :
- Aide à la rédaction de Cahier des Charges
- Conception mécanique
- Prototypage
- Tests
- Mise en fabrication pré-séries / séries

Conception / Dimensionnement
- Nous transcrivons les Cahiers des Charges en architecture mécanique
- Nous faisons les calculs de dimensionnement :
- Résistance des matériaux
- Théorie des mécanismes
- Dimensionnement des actionneurs et chaînes de transmission

Modélisation 3D
- Nous donnons forme aux concepts grâce à un modeleur 3D paramétrique (pièces et assemblages mécaniques)
- Le cas échéant, nous intégrons les :
- Composants du commerce
- Cartes électroniques

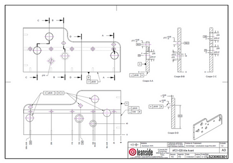
Mises en plan
Nous élaborons le dossier technique de mise en fabrication :
- Plans de validation de conception
- Plans de définitions pièces
- Plans de contrôle
- Plans d'assemblage
- Nomenclatures
- Gammes d'usinage et de traitement
Fabrication
Fabrication des pièces :
- Sous-traitées à des ateliers de fabrication spécialisés (usinage, fabrication additive métal, traitement thermique, traitement de surface, soudage, ...)
- En interne dans notre propre atelier de fabrication mécanique pour faire du prototypage ou des ajustements au montage (débit par sciage, soudage, tournage, fraisage, rectification, electro-érosion, fabrication additive polymère FDM et SLM)
Assemblage - ajustage
- Assemblage final (et éventuellement ajustage) des composants et sous-ensembles
- Mise en route, tests fonctionnels
- Mise à jour des dossiers de fabrication